 
  深圳市東么川伺服控制技術有限公司
電話:13316379101
郵箱:1355229533@qq.com
地址:深圳市龍華區民治街道樟坑社區青創城A棟B502
圖文科普無刷電機的原理與驅動方式
發布時間:2020-11-12 01:57:45
無刷電機是相對于有刷電機而言的,有刷電機在換相的時候是通過電刷和換向器來實現的。由于電刷的存在,導致有刷電機在旋轉的時候,電刷一直接觸損耗嚴重,也會產生電火花。而無刷電機比有刷電機少了電刷和換向器,噪音更小、壽命更長。
1、無刷電機的工作原理
無刷電機主要由轉子、定子和霍爾傳感器構成,轉子的材料是永磁體,定子纏繞著銅線作為繞組,霍爾傳感器在啟動時用來檢測轉子的位置(也有無感電機)。給繞組通電后,定子產生磁性和轉子同極性相吸、異極性相互排斥,依次來驅動轉子轉動。
	
	 
以具有三個繞組的無刷電機為例,在定子上纏繞了三個繞組線圈,三個線圈的一端連接在一起,另一端分別引出形成三相的U,V,W相線,在同一時刻只有兩個線圈繞組通電,總共有六個節拍控制。
2、無刷電機的驅動方式
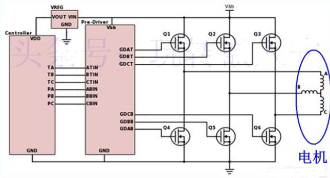
具有三個繞組線圈的無刷電機,一般通過6個MOS構成橋式電路來驅動,在任意時刻只有兩個MOS管同時導通,并且上下橋臂的MOS管不同時導通,如Q1、Q5通;Q1、Q6通;Q2、Q6通;Q2、Q4通;Q3、Q4通;Q3、Q5通等總共六個節拍。在啟動的瞬間,有感無刷電機通過霍爾傳感器來確定轉子的位置;無感電機通過反向感應電動勢來確定轉子的位置。驅動電路如下。在驅動方式上有方波和正弦波之分。
	
3、有刷電機和無刷電機的優缺點對比
這兩種電機的區別主要表現在電刷和換向器。有刷電機噪音大、電刷損耗大、使用壽命短,而用了電子元器件來代替電刷后,不僅降低了電刷摩擦時的噪音、又消除了電刷損耗帶來的故障,所以無刷電機比有刷電機應用更加廣泛。
- 上一篇:李洪濤成功研發了無刷電機,那電機原理是什么
- 下一篇:無刷電機應用家電設備,盡顯優勢
產品推薦:兩相步進電機
產品推薦:無刷電機
產品推薦:兩相步進驅動器
產品推薦:直流無刷驅動器

 
  


























 地址 ADDRESS
地址 ADDRESS